售前咨询 咨询热线
咨询热线0311-85395000
返回顶部

JDZQN-20 型电压互感器

JDZQN-20 型电压互感器,为单相、环氧树脂真空浇注绝缘、户内产品,广泛应用于额定电压为 20KV及以下中性点非有效接地电力系统中做电能计量、电压计量、监察及继电保护使用。

产品资料


1750391346587399.png


1. 技术参数

1750391388634420.png


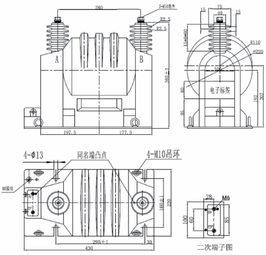
2. 外形尺寸

image.png




暂无数据~
暂无数据~
暂无数据~

需要帮助吗?

产品咨询

如果您想要购买产品,请联系我们,我们的团队 非常乐意为您提供帮助

查看详情
联系客服

我们的客服团队可为您提供产品资料、技术支持、 投诉帮助等服务

查看详情
联系我们
Copyright @2008-2026 申科科技集团 ALL Right Reserved. 冀ICP备12021201号-6 集团地址:河北省辛集市方碑东大街0369号 技术支持:远近互联科技