售前咨询 咨询热线
咨询热线0311-85395000
返回顶部

LSZ-0.5 型带电流互感器三相电表插接件

本产品在电表插接件的基础上,融合了电流互感器,使得三相电表插接件即可完成电流测量,并且产品与三相电能表配套使用,产品带有插针与三相电能表配合,安装方便、性能稳定可靠。该产品可应用于计量箱内三相交流线路上用作电能计量使用。

产品资料


1750412359941871.png


1. 技术参数

1750412400189859.png


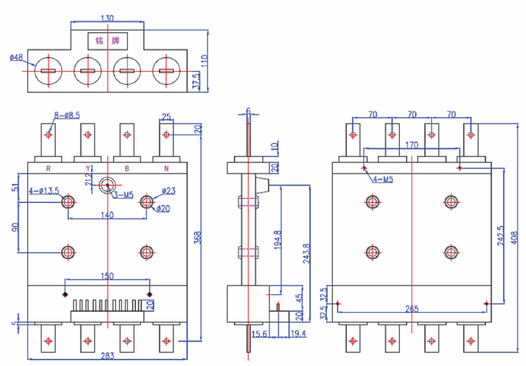
2. 外形尺寸图

1750412451752472.png



暂无数据~
暂无数据~
暂无数据~

需要帮助吗?

产品咨询

如果您想要购买产品,请联系我们,我们的团队 非常乐意为您提供帮助

查看详情
联系客服

我们的客服团队可为您提供产品资料、技术支持、 投诉帮助等服务

查看详情
联系我们
Copyright @2008-2026 申科科技集团 ALL Right Reserved. 冀ICP备12021201号-6 集团地址:河北省辛集市方碑东大街0369号 技术支持:远近互联科技