售前咨询 咨询热线
咨询热线0311-85395000
返回顶部

LCZK1-10 开启式电流互感器

LCZK 开启式电流互感器适用于交流 35kV、 24kV和 10kV 及以下电力系统中成套设备的电流测量、 微机保护及配电自动化终端的信号采集。该电流互感器具有体积小、重量轻、可开启、便于安装等特点广泛应用于全绝缘环网柜、组合式变电站和电缆分接箱中。

产品资料


image.png


1. 技术参数

1750469750574946.png


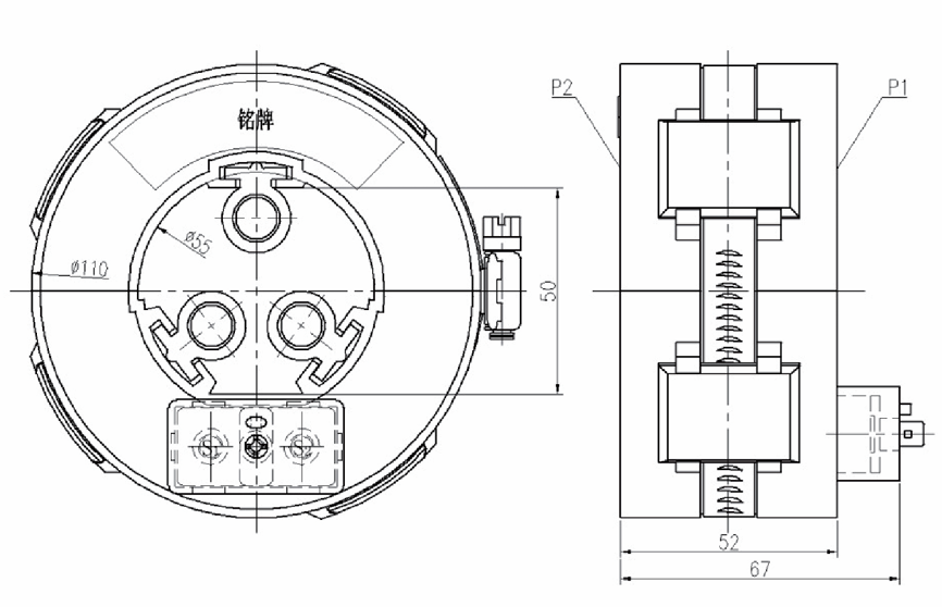
2. 外形尺寸图

1750469778333341.png







暂无数据~
暂无数据~
暂无数据~

需要帮助吗?

产品咨询

如果您想要购买产品,请联系我们,我们的团队 非常乐意为您提供帮助

查看详情
联系客服

我们的客服团队可为您提供产品资料、技术支持、 投诉帮助等服务

查看详情
联系我们
Copyright @2008-2026 申科科技集团 ALL Right Reserved. 冀ICP备12021201号-6 集团地址:河北省辛集市方碑东大街0369号 技术支持:远近互联科技