售前咨询 咨询热线
咨询热线0311-85395000
返回顶部

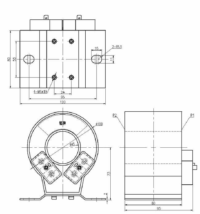
LCZ2-10型穿芯式电流互感器

LCZ 穿芯式电流互感器适用于交流 35kV、24kV和 10kV及以下电力系统中成套设备的电流测量、计量、取电和微机保护。 该型电流互感器选用磁导率高饱和点低的导磁材料作为测量/计量绕组的铁芯,保证了较高的测量/计量准确度和较低的仪表保安系数;保护绕组采用进口优质 0.23 硅钢片铁芯,具有导磁率高、饱和电压高的优点。该型电流互感器体积小、重量轻,占用空间小,便于安装等特点,固定在环网开关柜的电缆室内,安装时只需将电缆从内孔穿过,简便快捷又美观。

产品资料


1750470812758092.png


1. 技术参数表

1750470724956566.png


2. 外形尺寸

image.png



暂无数据~
暂无数据~
暂无数据~

需要帮助吗?

产品咨询

如果您想要购买产品,请联系我们,我们的团队 非常乐意为您提供帮助

查看详情
联系客服

我们的客服团队可为您提供产品资料、技术支持、 投诉帮助等服务

查看详情
联系我们
Copyright @2008-2026 申科科技集团 ALL Right Reserved. 冀ICP备12021201号-6 集团地址:河北省辛集市方碑东大街0369号 技术支持:远近互联科技