售前咨询 咨询热线
咨询热线0311-85395000
返回顶部

LSZ135-Φ110型三相一体式电流互感器

LSZ 系列三相一体式电流互感器适合安装在环网开关柜和主柱上开关的三相套管上, 用于三相电流和零序电流的测量和保护,也可用于多跟电缆回路的零序电流的测量和保护。该系列零序电流互感器的铁芯和二次绕组采用优质环氧树脂真空浇注在可阻燃的塑料壳体内, 防潮湿,性能稳定,无需维护。

产品资料


1750473219772987.png


1. 技术参数表

1750473272662079.png


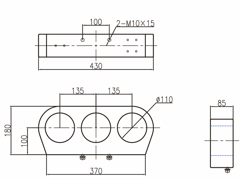
2. 外形尺寸

image.png

image.png



暂无数据~
暂无数据~
暂无数据~

需要帮助吗?

产品咨询

如果您想要购买产品,请联系我们,我们的团队 非常乐意为您提供帮助

查看详情
联系客服

我们的客服团队可为您提供产品资料、技术支持、 投诉帮助等服务

查看详情
联系我们
Copyright @2008-2026 申科科技集团 ALL Right Reserved. 冀ICP备12021201号-6 集团地址:河北省辛集市方碑东大街0369号 技术支持:远近互联科技