售前咨询 咨询热线
咨询热线0311-85395000
返回顶部

LXZ-Φ110型零序电流互感器

LXZ 系列零序电流互感器适用于交流电力系统中,配电线路以及交流发电机、电动机等电器设备的零序过电流保护和小电流接地选线装置,穿电缆的孔径范围中100mm~中240mm。LXZ 系列三相式零序电流互感器用于三相或多根电缆回路的零序电流的测量和保护LXZK 系列开启式零序电流互感器由两个半圆环型组成,可安装在连接好的电缆上,简便快捷,和谐美观。LXZC系列穿心式零序电流互感器预先固定在环网开关柜等电器设备的电缆穿孔上, 安装时将电缆穿过该互感器后制作电缆头。

产品资料


1750473828996074.png


1. 技术参数表

1750473950652293.png


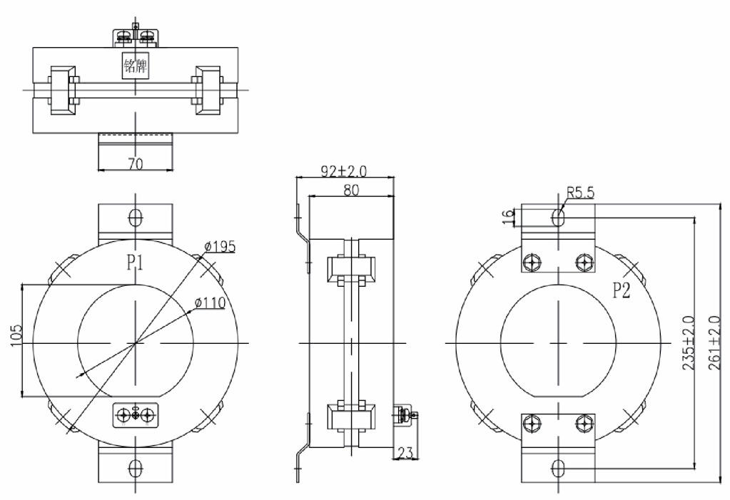
2. 外形尺寸

1750473978969784.png



暂无数据~
暂无数据~
暂无数据~

需要帮助吗?

产品咨询

如果您想要购买产品,请联系我们,我们的团队 非常乐意为您提供帮助

查看详情
联系客服

我们的客服团队可为您提供产品资料、技术支持、 投诉帮助等服务

查看详情
联系我们
Copyright @2008-2026 申科科技集团 ALL Right Reserved. 冀ICP备12021201号-6 集团地址:河北省辛集市方碑东大街0369号 技术支持:远近互联科技