售前咨询 咨询热线
咨询热线0311-85395000
返回顶部

充电桩用传感器

RCT-A6I保护计量一体式系列剩余电流传感器主要用做新能源电动汽车各种模式的充电枪或充电桩 B 型板载式剩余电流保护模块。实现数字式剩余电流动作指示。通过检测充电设备运行中的漏电流,提供信号驱动脱扣器动作实现断电保护功能。产品符合新国标 GB/T41589、欧标IEC62752、IEC62955,以及美标 UL2231。

产品特点:

计量互感器和剩余电流传感器一体化设计;

满足客户产品小型化需求;

精准的动作阈值,输出可直接驱动脱扣器;

计量精度 0.1/0.2 级,独有核心算法,精度高,性能稳定;


参考及引用标准:

JB/T10665-2016《电能表用微型电流互感器》;

GB/T41589-2022《电动汽车模式2充电的缆上控制与保护装置(IC-CPD)》;

GB/T41589(IEC62752)模式二充电相关剩余电流动作特性要求;

GB/T40820(IEC62955)模式三充电 RDC-PD 相关剩余电流动作特性要求。





产品资料


1750490963591433.png


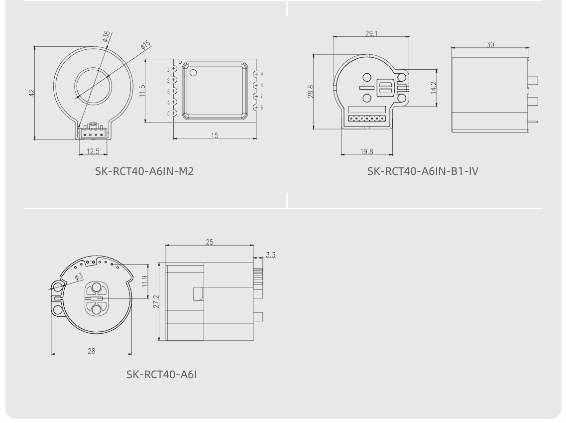
1. 外形及安装尺寸

1750491022370277.png


1750491056174171.png

1750491111866367.png




暂无数据~
暂无数据~
暂无数据~

需要帮助吗?

产品咨询

如果您想要购买产品,请联系我们,我们的团队 非常乐意为您提供帮助

查看详情
联系客服

我们的客服团队可为您提供产品资料、技术支持、 投诉帮助等服务

查看详情
联系我们
Copyright @2008-2026 申科科技集团 ALL Right Reserved. 冀ICP备12021201号-6 集团地址:河北省辛集市方碑东大街0369号 技术支持:远近互联科技