售前咨询 咨询热线
咨询热线0311-85395000
返回顶部

JLSZV-10 计量组合互感器

本产品为额定电压 10kV 户外装置, 接线方式为”V-V”三相组合互感器,为南方电网标准 10kV 组合互感器产品,采用环氧树脂真空浇注外加硅橡胶外套复合绝缘,适用于额定频率 50Hz供电系统中,用作电能计量使用。

产品资料


1750662601135255.png


1. 技术参数

1750662676781197.png


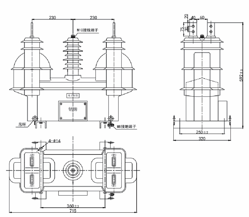
2. 外形尺寸图

1750662718398850.png




暂无数据~
暂无数据~
暂无数据~

需要帮助吗?

产品咨询

如果您想要购买产品,请联系我们,我们的团队 非常乐意为您提供帮助

查看详情
联系客服

我们的客服团队可为您提供产品资料、技术支持、 投诉帮助等服务

查看详情
联系我们
Copyright @2008-2026 申科科技集团 ALL Right Reserved. 冀ICP备12021201号-6 集团地址:河北省辛集市方碑东大街0369号 技术支持:远近互联科技