售前咨询 咨询热线
咨询热线0311-85395000
返回顶部

导轨表用互感器

产品应用于导轨式电能表中,体积小,集成度高,充分满足导轨式电能表结构紧凑、高精度计量需求。

产品特点:

用于高精度,小体积要求的导轨式电能表等电能计量装置;

线性范围宽,输出电流精度高,一致性好;

环氧树脂灌封,初次级工频耐压 4KV/Min,绝缘电阻≥1000M2/500Vdc;

工作频率 50Hz~400HZ;

工作温度范围 -40°C~85°C。

产品资料


1749263138368873.png


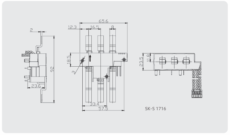
1. 外形及安装尺寸

image.png


image.png




暂无数据~
暂无数据~
暂无数据~

相关案例

需要帮助吗?

产品咨询

如果您想要购买产品,请联系我们,我们的团队 非常乐意为您提供帮助

查看详情
联系客服

我们的客服团队可为您提供产品资料、技术支持、 投诉帮助等服务

查看详情
联系我们
Copyright @2008-2026 申科科技集团 ALL Right Reserved. 冀ICP备12021201号-6 集团地址:河北省辛集市方碑东大街0369号 技术支持:远近互联科技