售前咨询 咨询热线
咨询热线0311-85395000
返回顶部

LMZ1K-SKH1 型抗直流偏磁低压电流互感器

LMZ1K-SKH1 型抗直流偏磁低压电流互感器为环氧树脂浇注而成的低压互感器,全封闭,户内型产品,适用于额定频率 50HZ、额定电压为 0.4kV 电力线路中作电能计量、电流测量等使用。

产品资料


1750388520856392.png


1. 技术参数表

1750382057516894.png


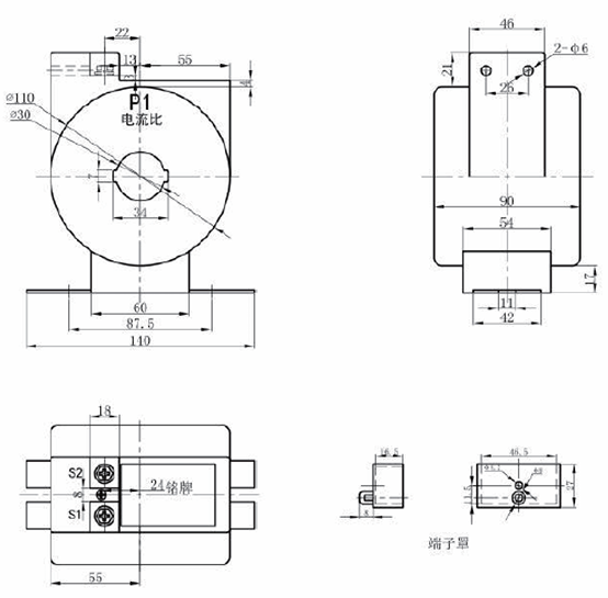
2. 外形尺寸图

image.png





暂无数据~
暂无数据~
暂无数据~

需要帮助吗?

产品咨询

如果您想要购买产品,请联系我们,我们的团队 非常乐意为您提供帮助

查看详情
联系客服

我们的客服团队可为您提供产品资料、技术支持、 投诉帮助等服务

查看详情
联系我们
Copyright @2008-2026 申科科技集团 ALL Right Reserved. 冀ICP备12021201号-6 集团地址:河北省辛集市方碑东大街0369号 技术支持:远近互联科技